

If you are new to step motors, you may be wondering how to mount one in your application. You’ll need to be concerned with three things: piloting the motor, fastening it to the mounting surface, and coupling the shaft to your load.
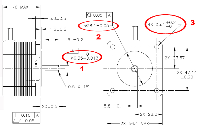
The motor outline drawing below, which we acquired from a vendor of high quality step motors, highlights all three:

Item 1 is the shaft. You’ll need a coupling to connect the shaft to your load. We’ll cover this in more detail in a future post.
Item 2 is the pilot. You’ll need a precise hole in your mounting bracket that is concentric to whatever you’ll connect to the motor shaft.
Item 3 represents the feature you’ll use to fasten the motor to the mounting surface – in this case four through holes that can accept a screw or bolt.
If you’re not up for machining your own, mounting brackets in standard sizes like NEMA 17, 23 and 34 are available for purchase. Since step motors generate heat, aluminum mounting brackets are preferable to steel because aluminum will conduct heat out of the motor more efficiently, so you can likely get by with a smaller, less expensive motor. We like this size 23 step motor mounting bracket from Amazon, which includes the necessary pilot hole and four tapped mounting holes for #8-32 screws. They even include the screws.

Now let’s check the mounting details for popular NEMA step motor sizes.

- Shaft diameter: typically 12.7 mm (1/2 inch), 5/8” on longer motors
- Mounting holes: four 5.5 mm through holes, 69.6 mm apart
- Pilot: 73.02 mm

- Shaft diameter: typically 6.35 mm (1/4 inch)
- Mounting holes: four 5.1 mm through holes, 47.14 mm apart
- Pilot: 38.1 mm

- Shaft diameter: typically 5 mm
- Mounting holes: four #4-40 tapped holes (M3 from some suppliers), 31 mm apart
- Pilot: 22 mm

- Shaft diameter: typically 5 mm
- Mounting holes: two #4-40 studs, 26 mm apart
- Pilot: 22 mm

- Shaft diameter: typically 5 mm
- Mounting holes: four M2.6 tapped holes, 23 mm apart
- Pilot: 22 mm

- Shaft diameter: typically 4 mm
- Mounting holes: four M2 tapped holes, 16 mm apart
- Pilot: 15 mm





